三極管
三極管,全稱應為半導體三極管,也稱雙極型晶體管、晶體三極管,是一種控制電流的半導體器件。其作用是把微弱信號放大成幅度值較大的電信號,也用作無觸點開關。
三極管是半導體基本元器件之一,具有電流放大作用,是電子電路的核心元件。三極管是在一塊半導體基片上制作兩個相距很近的PN結,兩個PN結把整塊半導體分成三部分,中間部分是基區,兩側部分是發射區和集電區,排列方式有PNP和NPN兩種。
三極管-工作狀態
(一)截止狀態
當加在三極管發射結的電壓小于PN結的導通電壓,基極電流為零,集電極電流和發射極電流都為零,三極管這時失去了電流放大作用,集電極和發射極之間相當于開關的斷開狀態,我們稱三極管處于截止狀態。
(二)放大狀態
當加在三極管發射結的電壓大于PN結的導通電壓,并處于某一恰當的值時,三極管的發射結正向偏置,集電結反向偏置,這時基極電流對集電極電流起著控制作用,使三極管具有電流放大作用,其電流放大倍數β=ΔIc/ΔIb,這時三極管處放大狀態。
(三)飽和導通
當加在三極管發射結的電壓大于PN結的導通電壓,并當基極電流增大到一定程度時,集電極電流不再隨著基極電流的增大而增大,而是處于某一定值附近不怎么變化,這時三極管失去電流放大作用,集電極與發射極之間的電壓很小,集電極和發射極之間相當于開關的導通狀態。三極管的這種狀態我們稱之為飽和導通狀態。
三極管開關電路工作原理解析
下面是三極管開關電路工作原理,圖一所示是NPN三極管的 共射極電路,圖二所示是它的特性曲線圖,圖中它有3 種工作區域:截止區(Cutoff Region)、線性區 (Active Region) 、飽和區(Saturation Region)。三極管是以B 極電流IB 作為輸入,操控整個三極管的工作狀態。
若三極管是在截止區,IB 趨近于0 (VBE 亦趨近于0),C 極與E 極間約呈斷路狀態,IC=0,VCE=VCC。若三極管是在線性區,B-E 接面為順向偏壓,B-C 接面為逆向偏壓,IB 的值適中(VBE=0.7V), IC=hFEIB呈比例放大,Vce=Vcc-RcIc=Vcc-Rc hFE IB可被IB操控。
若三極管在飽和區,IB很大,VBE=0.8V,VCE=0.2V,VBC=0.6V,B-C與B-E兩接面均為正向偏壓,C-E間等同于一個帶有0.2V電位落差的通路,可得Ic=( Vcc-0.2)/ Rc,Ic與IB無關了,因此時的IB大過線性放大區的IB值,Ic<hFE IB是必然的。三極管在截止態時C-E間如同斷路,在飽和態時C-E 間如同通路 (帶有0.2V電位降),因此可以作為開關。控制此開關的是 IB,也可以用VBB作為控制的輸入訊號。圖三、四分別顯示三極管開關的通路、斷路狀態,及其對應的等效電路。

圖1 NPN 三極管共射極電路

圖2 共射極電路輸出特性曲

圖3 截止態如同斷路線圖

圖4 飽和態如同通路
三極管開關的作用
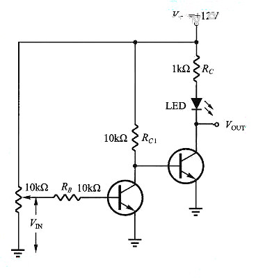
三極管開關的作用詳解,簡單三極管開關:電路如圖5,電阻RC是LED限流用電阻,以防止電壓過高燒壞LED(發光二極管),將輸入信號 VIN 從0 調到最大 (等分為約20 個間隔),觀察并記錄對的 VOUT 以及LED 的亮度。當三極管開關為斷路時,VOUT =VCC =12 V,LED 不亮。當三極管開關通路時,VOUT = 0.2V ,LED 會亮。
改良三極管開關:因為三極管由截止區過度到飽和區需經過線性區,開關的效果不會有明確的界線。為使三極管開關的效果明確,可串接兩三極管,電路如圖六。同樣將輸入信號 VIN 從0 調到最大 (等分為約20 個間隔),觀察并記錄對應的VOUT 以及LED 的亮度。

圖5 簡單開關三極管電路圖

圖6 改良三極管開關電路-達林頓電路圖
以上可以看出幾乎任何一種型號三極管都可一做為電子開關來使用,如果條件允許也可用來控制加熱設備。
三極管開關基本原理圖

1.基極必須串接電阻,保護基極,保護CPU的IO口。
2.基極根據PNP或者NPN管子加上拉電阻或者下拉電阻。
3.集電極電阻阻值根據驅動電流實際情況調整。同樣基極電阻也可以根據實際情況調整。
基極和發射極需要串接電阻,該電阻的作用是在輸入呈高阻態時使晶體管可靠截止,極小值是在前級驅動使晶體管飽和時與基極限流電阻分壓后能夠滿足晶體管的臨界飽和,實際選擇時會大大高于這個極小值,通常外接干擾越小、負載越重準許的阻值就越大,通常采用10K量級。
防止三極管受噪聲信號的影響而產生誤動作,使晶體管截止更可靠。三極管的基極不能出現懸空,當輸入信號不確定時(如輸入信號為高阻態時),加下拉電阻,就能使有效接地。
烜芯微專業制造二極管,三極管,MOS管,20年,工廠直銷省20%,1500家電路電器生產企業選用,專業的工程師幫您穩定好每一批產品,如果您有遇到什么需要幫助解決的,可以點擊右邊的工程師,或者點擊銷售經理給您精準的報價以及產品介紹
烜芯微專業制造二極管,三極管,MOS管,20年,工廠直銷省20%,1500家電路電器生產企業選用,專業的工程師幫您穩定好每一批產品,如果您有遇到什么需要幫助解決的,可以點擊右邊的工程師,或者點擊銷售經理給您精準的報價以及產品介紹

