MOSFET電容
電容(Capacitance)亦稱作“電容量”,是指在給定電位差下的電荷儲藏量,記為C,國際單位是法拉(F)。一般來說,電荷在電場中會受力而移動,當導體之間有了介質,則阻礙了電荷移動而使得電荷累積在導體上,造成電荷的累積儲存,儲存的電荷量則稱為電容。
電容是指容納電場的能力。任何靜電場都是由許多個電容組成,有靜電場就有電容,電容是用靜電場描述的。一般認為:孤立導體與無窮遠處構成電容,導體接地等效于接到無窮遠處,并與大地連接成整體。
電容(或稱電容量)是表現電容器容納電荷本領的物理量。電容從物理學上講,它是一種靜態電荷存儲介質,可能電荷會永久存在,這是它的特征,它的用途較廣,它是電子、電力領域中不可缺少的電子元件。主要用于電源濾波、信號濾波、信號耦合、諧振、濾波、補償、充放電、儲能、隔直流等電路中。
LLC諧振半橋工作原理

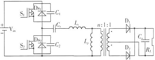
上圖分別給出了 LLC 諧振變換器的電路圖和工作波形。圖1中包括兩個功率 MOSFET(S1 和S2),其占空比都為0.5;諧振電容 Cs,副邊匝數相等的中心抽頭變壓器 Tr,Tr 的漏感Ls,激磁電感 Lm,Lm 在某個時間段也是一個諧振電感,因此,在 LLC諧振變換器中的諧振元件主要由以上3個諧振元件構成,即諧振電容 Cs,電感 Ls 和激磁電感 Lm;半橋全波整流二極管 D1 和 D2,輸出電容 Cf。LLC 變換器的穩態工作原理如下:
(1)(t1,t2)當t=t1 時,S2 關斷,諧振電流給S1的寄生電容放電,一直到S1上的電壓為零,然后S1 的體內二級管導通。此階段D1導通,Lm上的電壓被輸出電壓鉗位,因此,只有Ls和Cs參與諧振。

(2)(t2,t3)當t=t2 時,S1在零電壓的條件下導通,變壓器原邊承受正向電壓;D1繼續導通,S2及D2 截止。此時 Cs和Ls參與諧振,而Lm不參與諧振。
(3)(t3,t4)當t=t3 時,S1仍然導通,而 D1與D2 處于關斷狀態,Tr 副邊與電路脫開,此時Lm,Ls和 Cs 一起參與諧振。實際電路中 Lm>>Ls,因此,在這個階段可以認為激磁電流和諧振電流都保持不變。
(4)(t4,t5)當t=t4 時,S1關斷,諧振電流給S2的寄生電容放電,一直到S2上的電壓為零,然后S2 的體內二級管導通。此階段 D2 導通,Lm 上的電壓被輸出電壓鉗位,因此,只有 Ls 和Cs 參與諧振。
(5)(t5,t6)當t=t5 時,S2 在零電壓的條件下導通,Tr 原邊承受反向電壓;D2繼續導通,而S1和D1 截止。此時僅 Cs和Ls 參與諧振,Lm上的電壓被輸出電壓箝位,而不參與諧振。
(6)(t6,t7)當 t=t6 時,S2仍然導通,而D1和D2處于關斷狀態,Tr 副邊與電路脫開,此時 Lm,Ls和Cs 一起參與諧振。實際電路中Lm>>Ls,因此,在這個階段可以認為激磁電流和諧振電流都保持不變。
LLC串聯諧振電路
LLC串聯諧振電路,根據電路原理,電感電容串聯或并聯可以構成諧振電路,使得在電源為直流電源時,電路中得電流按照正弦規律變化。由于電流或電壓按正弦規律變化,存在過零點,如果此時開關器件開通或關斷,產生的損耗就為零。下邊就分析目前所使用的LLC諧振半橋電路。基本電路如下圖所示:

其中Cr,Lr,Lm構成諧振腔(Resonant?tank),即所謂的LLC,Cr起隔直電容的作用,同時平衡變壓器磁通,防止飽和。
MOSFET電容對LLC串聯諧振電路的作用
LLC的優勢之一就是能夠在比較寬的負載范圍內實現原邊MOSFET的零電壓開通(ZVS),MOSFET的開通損耗理論上就降為零了。要保證LLC原邊MOSFET的ZVS,需要滿足以下三個基本條件:
1)上下開關管50%占空比,1800對稱的驅動電壓波形;
2)感性諧振腔并有足夠的感性電流;
3)要有足夠的死區時間維持ZVS。
圖a)是典型的LLC串聯諧振電路。圖b)是感性負載下MOSFET的工作波形。由于感性負載下,電流相位上會超前電壓,因此保證了MOSFET運行的ZVS。要保證MOSFET運行在感性區,諧振電感上的諧振電流必須足夠大,以確保MOSFET源漏間等效的寄生電容上存儲的電荷可以在死區時間內被完全釋放干凈。

當原邊的MOSFET都處于關斷狀態時,串聯諧振電路中的諧振電流會對開關管MOSFET的等效輸出電容進行充放電。MOSFET都關斷時的等效電路如下圖所示:

通過對上圖的分析,可以得出需要滿足ZVS的兩個必要條件,如下:

公式看上去雖然簡單,然而一個關于MOSFET等效輸出電容Ceq的實際情況,就是MOSFET的等效寄生電容是源漏極電壓Vds的函數,之前的文章對于MOSFET的等效寄生電容進行過詳細的理論和實際介紹。,也就是說,等效電容值的大小會隨著Vds的變化而變化。如下圖所示,以Infineon的IPP60R190P6為例:

LLC串聯諧振電路MOSFET的Vds放電過程分為四個階段,如下圖所示, (I) 380V-300V; (II) 300V-200V; (III) 200V-100V; (IV)100V-0V。

從圖中可以看出,(I)和(IV)兩部分占據了Vds放電時間的將近2/3,此時諧振腔的電感電流基本不變。這兩部分之所以占據了Vds放電的大部分時間,主要原因在于當Vds下降到接近于0的時候,MOFET源漏間的寄生電容Coss會指數的增加。因此要完全釋放掉這一部分的電荷,需要更長的LLC諧振周期和釋放時間。
因此選擇合適的MOSFET(足夠小的等效寄生電容),對于ZVS的實現至關重要,尤其是當Vds接近于0的時候,等效輸出電容要足夠小,這樣還可以進一步降低死區時間并提高LLC的工作效率。
下圖進一步說明如何選擇合適的ZVS方案。

圖(a):理想的ZVS波形;
圖(b):Vds還沒下降到0,Vgs已經出現。此種情況下,LLC串聯諧振就會發生硬開關。應對之策需要減少變壓器的勵磁電流,或者適當增加死區時間(如果IC選定,死區時間一般就固定了);
圖(c):實現了ZVS,但是諧振腔的電流不足以維持MOSFET體內二極管的持續導通。
圖(d)死區時間過于長了,會降低整個LLC的工作效率。
總之,MOSFET的等效輸出電容對于LLC原邊MOSFET ZVS的實現是至關重要的。如果MOSFET已經選定,諧振腔需要仔細計算、調試和設定,并選取合適的死區時間,來覆蓋所有負載的應用范圍。實際應用中對于穩態運行的硬開關都可以通過設計進行修正從而達到穩定運行的設計目的。然而開機過程中的硬開關(軟啟高頻到低頻過程中),尤其是開機過程中的頭幾個開關周期,對于有些設計和方案,硬開關是避免不了的。
LLC串聯諧振電路特征
(1)變頻控制
(2)固定占空比50%
(3)在開關管輪替導通之間存在死區時間(Dead?Time),因此Mosfet可以零電壓開通(ZVS),二次側Diode可以零點流關斷,因此二極管恢復損耗很小
(4)高效率,可以達到92%+
(5)較小的輸出漣波,較好的EMI
烜芯微專業制造二極管,三極管,MOS管,橋堆20年,工廠直銷省20%,1500家電路電器生產企業選用,專業的工程師幫您穩定好每一批產品,如果您有遇到什么需要幫助解決的,可以點擊右邊的工程師,或者點擊銷售經理給您精準的報價以及產品介紹
烜芯微專業制造二極管,三極管,MOS管,橋堆20年,工廠直銷省20%,1500家電路電器生產企業選用,專業的工程師幫您穩定好每一批產品,如果您有遇到什么需要幫助解決的,可以點擊右邊的工程師,或者點擊銷售經理給您精準的報價以及產品介紹

