MOSFET管柵極驅動電路
如上所述 ,柵極驅動電路必須能輸出電流 ,即成為 “ 源”。同時,為了提供柵極反向電壓,MOS驅動電路必須能從柵極抽取電流 ,即成為 “ 匯”。大部分早期的 PWM 芯片 ( SG1524 系列) 的驅動電路,不能同時抽取和輸出電流。即不 能同時成為漏極導通和關斷的 “ 源” 和 “ 匯”。圖 9.6 ( a ) 中的電路說明了這一點。
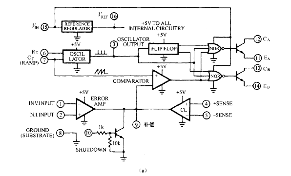
SG1524 型 PWM 芯片輸出級由發射極和集電極都懸空的晶體管構成 。當輸出級的晶體管 導通 ,它能從集電極抽取或從發射極輸出 200mA 的電流。當利用晶體管的發射極驅動 MOSFET 管的柵極時 ,發射極電阻能從柵極抽取電流 ,降低柵極電壓來關斷 MOSFET 管。 通常當片內輸出晶體管導通時 ,功率晶體管也要立即導通 。圖9.6( b )給出了一個 N 型MOSFET 管的驅動電路 ,它的柵極由 SG1524 型 PWM 芯片的發射極驅動 。圖 9.6 C b ) 中的驅動電路能提供 200mA 的電流給柵極,快速地導通 MOSFET 管。所以, 如 9.2.2 節所述 ,50ns 內需要 0.924A 的電流去驅動 MTM7N45 管柵極電壓使之上升到 IOV 。
可以推導 ,SG1524 型 PWM 芯片輸出 200mA 電流時,柵極電壓從 ov 上升到 IOV 只需
( 0.924/0.2 ) ×50=231ns 。又如 9.2.3 節所述 ,漏極電流上升時間對應于柵極電壓從 2.5V 上升 到 sv 所用的上升時間 ,漏極電流上升時間就 只有 ( 2.5+10 ) ×231=58肘。初始的 2.5V 柵極電 壓上升到闊值電壓只產生了 58ns 的延遲。這雖然降低了最大開關頻率 ,但它不會引起任何開 關損耗。
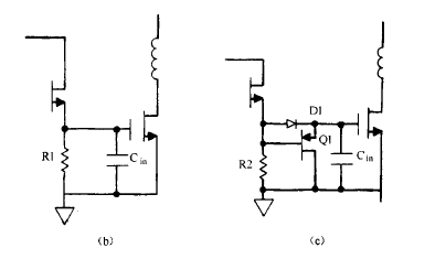
柵極電壓從 ov 到 IOV 的上升時間 C 231ns ) 己經足夠短了,但在圖9.6 C b ) 所示電路中 , 因為沒有恒定電流給電容放電 ,所以柵極電壓下降時間只取決于發射極電阻 Re 和柵極輸入電壓。




圖 9.6 C a ) PWM 芯片 SG1524 和它的輸出晶體管 ( 11 腳、12 腳、13 腳和 14 腳),輸出晶體管能提供或吸收 200mA 的電流:C b ) 驅動高輸入電容 MOSFET 管的晶體管發射極驅動電路 。200mA 的驅動電流可以快速的導通 MOSFET 管。關斷時,RI 為柵極下拉電阻 ,它在時間3R1Cin 內將柵極電壓拉低: C c) 用作吸收柵極電流的 PNP 射極跟隨器和作為 200mA 驅動 “源” 的片內輸出晶體管 。此時電 阻 R2 可以很大
在圖 9.6 C b ) 中,當MOS管驅動芯片內輸出晶體管的基極為低電平時 ,輸出晶體管發射極的電壓由 于 MOSFET 管的大輸入電容而依然維持為高電平 。輸出晶體管關斷后,只剩下輸出發射極電 阻給 MOSFET 管輸入電容提供放電 回路。對應的電容值 ( 9.2.2 節) 為輸入電容加上米勒電 容,即 1800+(180+ 10)×150=4500pF。
這樣 ,對于標稱值為 2000.的發射極電阻,MOSFET 管柵極電壓下降時間為 3RI C=3× 200×4500=2.70陽。如果開關頻率達到 IOOkHz 以上,則 2.70陽的柵極電壓下降時間顯然太長 了。這是由于存在 MOSFET 管柵極輸入電容的緣故 ,因此就需要用獨立的晶體管來驅動 MOSFET 管,它可以輸出或吸收 200 400mA 的電流。
就 SG1524 型 PWM 芯片來說 ,它擁有輸出或吸收電流的能力 ,但是不能同時應用 。大多數情況下 ,簡單而實用的 MOSFET 管的柵極驅動電路就是使用 NPN-PNP 圖騰柱式射極跟隨器。如圖 8.17 所示 ,晶體管 Q2 和 Q3 分別是 2N2222A 和 2N2907A ,采用 T0-18 封裝,價 格不超過十美分 。它們可以輸出或抽取 800mA 的電流,上升時間約為 60ns 。圖騰柱上方的 晶體管可以用 PWM 芯片輸出級的晶體管代替 ,如圖9.6( c )所示 。雖然它的驅動能力 OOmA ) 比 2N2222A 管小,但一般情況下己經足夠了 。
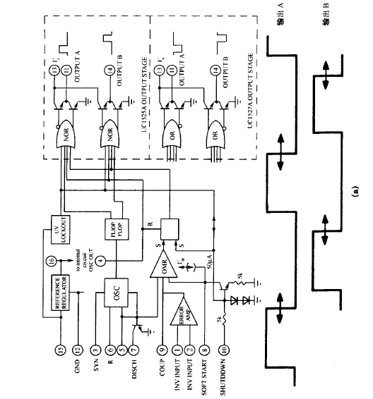
第二代 PWM 芯片,如 Unitrode 公司生產的 UC1525A[坷 ,具有內置圖騰柱結構 ,它由 NPN 型反相器疊加 NPN 型射極跟隨器組成 。如圖 9.7 ( a ) 所示,射極跟隨器和反相器由相 位相差 180。的信號驅動,交錯導通。通過使用具有兩個互相隔離的次級的變壓器( 圖 9.7( b) ) 驅動具有不同直流電壓水平的半橋或全橋電路的上 F兩只晶體管。類似地 ,推挽電路也可以 驅動具有相同直流電壓的 MOSFET 管。
在圖 9.7 C b ) 中,變壓器初級連接到 PWM 芯片的 11 腳和 14 腳。在半周期的導通時間 內,11 腳相對于 14 腳為正 ,并輸出 200mA 電流。11 腳電位對地約為 +(Vh 2)V, 14 腳電位 對地約為+2V 。在半周期的死區時間內 ,11 腳和 14 腳都對地短路 。在下半周期 ,11 腳和 14 腳的極性顛倒 。若初級電壓為士 lOV ,則供電電壓 vh 應約為 14V。




圖 9.7 C a ) 具有圖騰柱輸出 ( 輸出 A 和 B ) 的第二代 PWM 芯片 UC1525A 。它可以吸收或供給 MOSFET 管基極大屯流 ( Unitrode 提供)。C b) A 和 B 的圖騰柱輸出可以驅動大輸入電容 MOS管,即可 以直接驅動柵極共地的推挽電路 ,或通過一個變壓器驅動柵極不共地的半橋或全橋電路
烜芯微專業制造二極管,三極管,MOS管,橋堆等20年,工廠直銷省20%,1500家電路電器生產企業選用,專業的工程師幫您穩定好每一批產品,如果您有遇到什么需要幫助解決的,可以點擊右邊的工程師,或者點擊銷售經理給您精準的報價以及產品介紹
烜芯微專業制造二極管,三極管,MOS管,橋堆等20年,工廠直銷省20%,1500家電路電器生產企業選用,專業的工程師幫您穩定好每一批產品,如果您有遇到什么需要幫助解決的,可以點擊右邊的工程師,或者點擊銷售經理給您精準的報價以及產品介紹

