
MOS管選型需要滿足幾個要求:
1.足夠的漏-源電壓 VDS
2.足夠的漏極電流 ID
3.快速開關的能力和開通、關斷延時
4.低的導通電阻Rds(on)
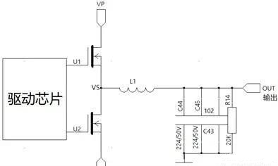
例:如圖,假設該電路輸出功率為850W,負載8Ω,MOS管如何選型?
1.Vds電壓是多少?
根據P=U*U/R,得出輸出的平均電壓U=82V,這是平均值,需要轉化成峰值電壓Uo=√2*U=116V。 又因為電源利用率為85%,所以Vp=Uo/85%=136V。Vn=-136V。所以Vds要大于136*2=272V。
2.ID如何計算?
根據P=I*I*R,得出I=10.3A。
所以MOS管的選型應Vds>272V,ID>10.3A。
可初步選擇仙童的FDAF59N30,主要指標如下
1.漏-源電壓 VDS=300V
2.漏極電流 ID=34A
3.上升時間ton=140ns
4.關斷時間toff=120ns
5.電阻RDS(on) = 0.056?
6.柵極電荷Q g =77nc
從上述幾大指標來看,該 MOS管的工作電壓、電流均滿足需求,在較短的開通和關斷遲時間保證了系統(tǒng)的穩(wěn)定性。
MOS管驅動如何選擇?
可以通過計算得到MOS管在一個完整開關周期內所需要的功率Pg。計算公式為:
Pg=Vgs*Qg*fsw,其中Vgs柵極驅動電壓,fsw為開關頻率。
FDAF59N30在柵極驅動電壓為 12V,開關頻率為200KHZ時的消耗功率為:
Pg=12*77*10-9*200*103 =0.1848W
驅動需要提供的平均電流為:
I= Pg/ Vgs=15.4mA。
根據經驗,在保證正常工作條件下FDAF59N30的典型開通和關斷時間約為200ns,因此可以反推出驅動需要提供的瞬時電流為:
Imax=Qg/t=77nc/200ns=385mA。
所以MOS管驅動需要需要提供的電流大于385mA。
因為這是高壓MOS管,所以需要提供浮動柵極驅動能力。
烜芯微專業(yè)制造二極管,三極管,MOS管,橋堆等20年,工廠直銷省20%,4000家電路電器生產企業(yè)選用,專業(yè)的工程師幫您穩(wěn)定好每一批產品,如果您有遇到什么需要幫助解決的,可以點擊右邊的工程師,或者點擊銷售經理給您精準的報價以及產品介紹
烜芯微專業(yè)制造二極管,三極管,MOS管,橋堆等20年,工廠直銷省20%,4000家電路電器生產企業(yè)選用,專業(yè)的工程師幫您穩(wěn)定好每一批產品,如果您有遇到什么需要幫助解決的,可以點擊右邊的工程師,或者點擊銷售經理給您精準的報價以及產品介紹

