恒流三極管為LED電路提供恒定電流的器件,使電路具有簡單、經濟、可靠等特點.LED三極管在一定電壓范圍內恒定電流.帶有負溫度系數,在極端的電壓和工作溫度下保護LED免受熱失控影響.
線性恒流三極管為在寬電壓內恒定電流效果最佳的產品,體積小,封裝有TO-92(普通直插的三極管)、SOT-89-3、SOT-223三種,恒流三極管只需要保證輸入電壓減去LED串總電壓的數值不超過90V(輸入-輸出的最大電壓)即可,可完全替代復雜且煩瑣的恒流源電路,非常適合用于體積小的LED燈具產品.具有成本低廉、結構簡單、壽命可靠等特點.
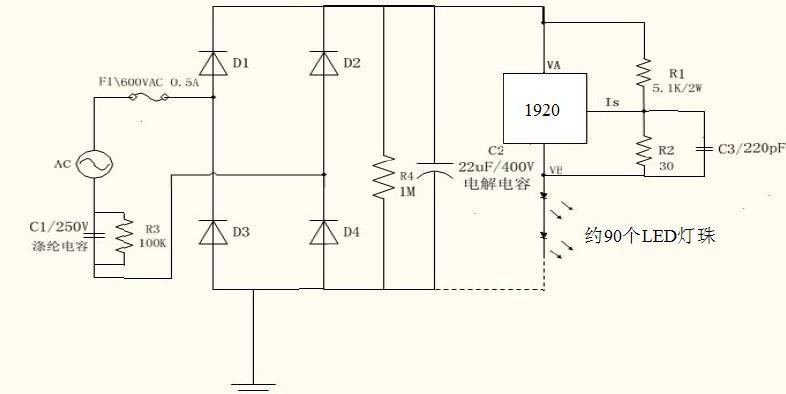
LED恒流器不需外加元件,可直接應用于120/220Vac交流供電回路中,120/220Vac交流市電輸入經過橋式整流后,只需要保證輸入電壓減去LED串總電壓后所剩下的電壓不超過恒流三極管輸入-輸出90V即可.
名稱 型號 封裝 恒定電流 電壓 串接LED數量
AC220V AC110V
CRT CL1920 TO-92,SOT-223,SOT-89-3 10~20Ma(可調) 90V 約98個 約45個
烜芯微專業制造二極管,三極管,MOS管,橋堆等,20年,工廠直銷省20%,1500家電路電器生產企業選用,專業的工程師幫您穩定好每一批產品,如果您有遇到什么需要幫助解決的,可以直接聯系上方的聯系號碼或加QQ,由我們的銷售經理給您精準的報價以及產品介紹

