可以將電壓升高的電路。輸出電壓高于輸入電壓。用途:利用升壓電路來滿足所需電壓的要求。制作:利用升壓變壓器、利用電壓變換器、采用倍壓整流裝置等。
升壓電路作用
一般來說,升壓電路的作用就是使得輸出電壓比輸入電壓更高,利用這種形式來滿足各種電壓的要求,所以能夠作用在很多不同的場合當中,尤其是對于那些電影非常高的場合里面,比方說大型的演唱會,或者是一些大型的電器使用等場合。

整體上而言,升壓電路的工作原理與作用是什么還是不難理解的,而且這種電路相對來講,因為它可以滿足各種電壓的需求,他能夠保證輸出電壓會比較高,所以存在的安全隱患還是不多的,但是在一些大型的場合里面,無論如何都一定要格外的注意。
升壓電路圖

升壓電路也叫自舉電路,利用自舉升壓二極管,自舉升壓電容等電子元件,使電容放電電壓和電源電壓疊加,從而使電壓升高 . 有的電路升高的電壓能達到數倍電源電壓。
升壓電路工作原理
升壓電路只是在實踐中定的名稱,在理論上沒有這個概念。升壓電路主要是在甲乙類單電源互補對稱電路中使用較為普遍。甲乙類單電源互補對稱電路在理論上可以使輸出電壓 Vo 達到 Vcc 的一半,但在實際的測試中,輸出電壓遠達不到 Vcc 的一半。其中重要的原因就需要一個高于 Vcc 的電壓。所以采用升壓電路來升壓。

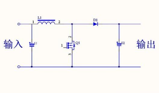
開關直流升壓電路(即所謂的 boost 或者 step-up 電路)原理
the boost converter,或者叫 step-up converter,是一種開關直流升壓電路,它可以是輸出電壓比輸入電壓高。
假定那個開關(三極管或者 mos 管)已經斷開了很長時間,所有的元件都處于理想狀態,電容電壓等于輸入電壓。下面要分充電和放電兩個部分來說明這個電路。
在充電過程中,開關閉合(三極管導通),等效電路如圖二,開關(三極管)處用導線代替。這時,輸入電壓流過電感。二極管防止電容對地放電。由于輸入是直流電,所以電感上的電流以一定的比率線性增加,這個比率跟電感大小有關。隨著電感電流增加,電感里儲存了一些能量。
當開關斷開(三極管截止)時,由于電感的電流 保持特性,流經電感的電流不會馬上變為 0,而是緩慢的由充電完畢時的值變為 0。而原來的電路已斷開,于是電感只能通過新電路放電,即電感開始給電容充電, 電容兩端電壓升高,此時電壓已經高于輸入電壓了。升壓完畢。
說起來升壓過程就是一個電感的能量傳遞過程。充電時,電感吸收能量,放電時電感放出能量。如果電容量足夠大,那么在輸出端就可以在放電過程中保持一個持續的電流。如果這個通斷的過程不斷重復,就可以在電容兩端得到高于輸入電壓的電壓。
烜芯微專業制造二極管,三極管,MOS管,橋堆等20年,工廠直銷省20%,4000家電路電器生產企業選用,專業的工程師幫您穩定好每一批產品,如果您有遇到什么需要幫助解決的,可以點擊右邊的工程師,或者點擊銷售經理給您精準的報價以及產品介紹
烜芯微專業制造二極管,三極管,MOS管,橋堆等20年,工廠直銷省20%,4000家電路電器生產企業選用,專業的工程師幫您穩定好每一批產品,如果您有遇到什么需要幫助解決的,可以點擊右邊的工程師,或者點擊銷售經理給您精準的報價以及產品介紹

