S4肖特基二極管參數,S4二極管正負極,S4中文資料代替
S4肖特基二極管,S4二極管封裝為SOD-123,S4參數規格書,S4的作用
S4肖特基二極管,S4二極管封裝為SOD-123,S4參數規格書,S4的作用

S4肖特基二極管參數規格書: 點擊查看
S4肖特基二極管,SOD-123封裝參數如下:
Non-Repetitive Peak Reverse Voltage VRM 非重復峰值反向電壓:40V
Peak Repetitive Reverse Voltage VRRM 峰值重復反向電壓:40V
Working Peak Reverse Voltage VRWM 工作峰值反向電壓:40V
DC Blocking Voltage VR 直流阻斷電壓:40V
RMS Reverse Voltage VR(RMS) 均方根反向電壓:28V
Forward Continuous Current IFM 正向連續電流:350mA
Power Dissipation PD 功耗:400mW
RMS Reverse Voltage VR(RMS) 均方根反向電壓:28V
Forward Continuous Current IFM 正向連續電流:350mA
Power Dissipation PD 功耗:400mW
Maximum Forward Voltage VFM IF=350mA時,最大正向電壓:0.37V
Operating junction and storage temperature range TJ,TSTG 工作溫度和存儲溫度范圍:-65to +150℃
S4肖特基二極管,SOD-123封裝尺寸:

S4肖特基二極管,SOD-323封裝尺寸:

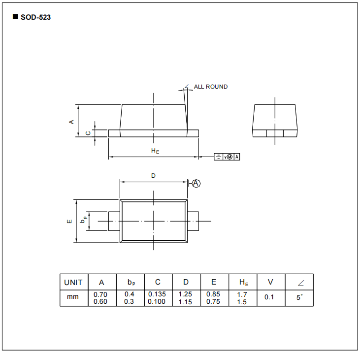
S4肖特基二極管,SOD-523封裝尺寸:

〈烜芯微/XXW〉專業制造二極管,三極管,MOS管,橋堆等,20年,工廠直銷省20%,上萬家電路電器生產企業選用,專業的工程師幫您穩定好每一批產品,如果您有遇到什么需要幫助解決的,可以直接聯系下方的聯系號碼或加QQ/微信,由我們的銷售經理給您精準的報價以及產品介紹

S4肖特基二極管,SOD-523封裝尺寸:

〈烜芯微/XXW〉專業制造二極管,三極管,MOS管,橋堆等,20年,工廠直銷省20%,上萬家電路電器生產企業選用,專業的工程師幫您穩定好每一批產品,如果您有遇到什么需要幫助解決的,可以直接聯系下方的聯系號碼或加QQ/微信,由我們的銷售經理給您精準的報價以及產品介紹
聯系號碼:18923864027(同微信)
QQ:709211280


