LED因其應用廣泛,價格公道,而被業界廣泛采用,不管是節日的裝飾燈還是家庭使用的各種燈具要用到LED的驅動電路,因為它降低的能源的消耗,可長期穩定的工作,今天我就從一個實用的LED電路給大家延伸性的介紹LED照明驅動電路。
發光二極管(LED)因其具有高效、節能、壽命長、環保等特點,已成為現今照明技術的可選方案,并逐漸被應用于照明。促使人們關注LED照明技術的一個關鍵因素是,其大大降低了能源的消耗,并可實現長期可靠的工作。
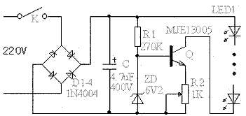
本文先從采用恒流源的電路開始,本電路中的主要元件三極管,要求其耐壓要400V以上,功率也要10W以上的大功率管,如MJE13003、MJE13005等,并且要加上散熱片,濾波電容C容量為4.7uF,耐壓要有400V以上,發光管電流的大小由R2調整決定,為方便調整可用可變電阻調整后再換上相同阻值的固定電阻,本電路可帶發光管數量少則十幾只,最多可達到90多只,雖然增加了一些成本,但使用效果要比只用電阻限流的電路好得多,即使電壓波動較大,電路仍然能保持電流恒定不變,這對發光管的壽命是非常有利的,在此范圍內的電流都能基本保持恒定不變。本電路使用發光管數量也不可太少,越少其效率也越低。本電路總耗電功率約6W。


在這里我順便給大家講講LED采用并聯接法好還是采用串聯接法好?
LED采用并或串聯接法,主要應該根據電源盒電路的形式及要求決定。
采用串聯接法的電路,當其中一只LED斷路時整串的LED都不亮;但當其中一只LED短路時其他LED都還能亮。采用并聯接法的電路,當其中一只LED斷路時其它的LED都還能亮;但當其中一只LED短路時則整個電路的電源將被短路,這樣不僅其它的LED都不能正常工作,而且還有可能損壞電源。故相比之下還是串聯接法的電路較有優勢。
并聯接法只需要在每個LED兩端施加較低的電壓,但需要利用鎮流電阻或電流源來保證每個LED的亮度一致。如果流過每個LED的偏置電流大小不同,則它們的亮度也不同,從而導致整個光源亮度不均勻。然而,利用鎮流電阻或電流源來保證LED的亮度一致將縮短電池的使用壽命。采用串聯接法本質上可以很好保證流過每只LED電流的一致性,但要求電源電壓要高。LED采用并聯接法時,由于電路的總電流是各個LED電流之和,所以要求電源要能供給足夠大的電流。
其實嚴格意義上并聯或串聯接法各有它們的優缺點。需要你在實用的予以考慮多方面因素。在實際運用中常采用串并聯形成的LED陣列,這樣可以克服或減小上述單個LED斷路或短路造成整串LED不亮或對整個電路和電源的影響。所謂串并聯就是先用少量LED串聯再串鎮流電阻組成一條支路,再將若干條支路并聯組成“支路組”。此外,還能采用串并串形式,就是在已組成的“支路組”的基礎上,再將若干“支路組”串聯構成整個燈具電路,此種接法不僅縮小了一只LED故障時的影響面,而且將鎮流電阻化整為零,將幾只大功率電阻變成幾十只小功率電阻,由集中安裝變成分散安裝,這樣既利于電阻散熱,又可以將燈具設計的更緊湊。
首先任何電路我們必須要考慮其電源驅動,通常驅動LED采用專用恒流源或者驅動芯片,容易受體積和成本等因素的限制,最經濟實用的方法就是采用電容降壓式電源。用它驅動小功率LED,具有不怕負載短路、電路簡單等優點,而且一個電路能驅動1~70個小功率LED(但是,這種電源電路啟動時的電流沖擊,尤其是頻繁啟動,會給LED造成破壞。當然,采取適當的保護便可避免這種沖擊,在這方面,可以采用安森美半導體的NUD4700 LED分流保護解決方案。在LED正常工作時,泄漏電流僅為近100 μA;而在遭遇瞬態或浪涌條件時,LED就會開路,這時NUD4700分流保護器所在的分流通道激活,所帶來的壓降僅為1.0 V,將帶給電路的影響盡可能地減小。這器件采用節省空間的小型封裝,設計用于1 W LED(額定電流為350 mA@ 3 V),如果散熱處理恰當,也支持大于1 A電流的操作。


電容降壓式電源的典型電路如圖
對驅動電路的檢查,應該根據電路圖仔細核對電路是否接錯,特別注意檢查整流橋(長腳的是正極輸出,其對角是負極輸出,另外兩腳是交流輸入)或整流二極管以及穩壓二極管的極性是否正確(印有黑線或白線的一端是負極),還有檢查晶體三極管或穩壓集成電路的三個電極是否錯接等。
C1為降壓電容器(采用金屬化聚丙烯電容),R1為C1提供放電回路。電容C1為整個電路提供恒定的工作電流。電容C2為電解電容,其耐壓值取決于所串聯的LED的個數(約為其總電壓的1.5倍以上),它的主要作用是抑制通電瞬間引起的電壓突變,從而降低電壓沖擊對LED壽命的影響。R4為電容C2的泄流電阻,其阻值應隨著LED個數的增加適當增加。
由于電容降壓電源是一種非隔離式電源,在通電瞬間會產生很大的電流,也就是所謂的浪涌電流。此外,由于外界環境的影響(如雷擊) 電網系統會侵入各種浪涌信號,有些浪涌會導致LED的損壞。所以,要提供熱敏電阻保護,這個主要有負溫度系數熱敏電阻保護(NTC熱敏電阻,NTC是Negative Temperature Coefficient的縮寫)和正溫度系數熱敏電阻保護(PTC(Positive Temperature Coefficient))然后有瞬態電壓抑制器保護((Transient Voltage Suppressor),簡稱TVS)
負溫度系數意思是負的溫度系數,泛指負溫度系數很大的半導體材料或元器件,限制浪涌電流的最簡單有效的方法是在線路輸入端串聯一只NTC熱敏電阻
正溫度系數電流通過PTC熱敏電阻后引起溫度升高,即發熱體的溫度上升,當超過居里點溫度后,電阻增加,從而限制電流增加,于是電流的下降導致元件溫度降低,電阻值的減小又使電路電流增加,元件溫度又升高,周而復始。
瞬態電壓抑制器主要用于對電路元件進行快速過壓保護。當TVS管兩極受到反向瞬態高能量沖擊時,它能以10-12s量級的速度將兩極間的高阻抗變為很低的阻抗,吸收高能量的浪涌,將兩極間的電壓鉗位于個預定值,保護電子線路中的元器件免受各種浪涌脈沖的沖擊而損壞。
電話:18923864027(同微信)
QQ:709211280
〈烜芯微/XXW〉專業制造二極管,三極管,MOS管,橋堆等,20年,工廠直銷省20%,上萬家電路電器生產企業選用,專業的工程師幫您穩定好每一批產品,如果您有遇到什么需要幫助解決的,可以直接聯系下方的聯系號碼或加QQ/微信,由我們的銷售經理給您精準的報價以及產品介紹

