OC門電路
OC門電路:集電極開路(open collector)
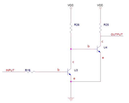
OC門電路的工作原理:
1)當INPUT輸入高電平,Ube>0.7V,三極管U3導通,三極管U4的b點電位為0,U4截止,OUTPUT輸出高電平;
2)當INPUT輸入高電平,Ube<0.7V,三極管U3截止,三極管U4的b點電位為高,U4導通,OUTPUT輸出低電平;

其中R25為上拉電阻:何為上拉電阻?將不確定的信號上拉至高電平。
假設:沒有R25,那么OUTPUT的輸出是通過ce與地連接在一起的,輸出端是空了,即高阻態。這時候OUTPUT的電平狀態未知,如果后面一個電阻負載(即使很輕的負載)到地,那么輸出端的電平就被這個負載拉到低電平,它是不能輸出高電平的。
因此,需要接一個電阻到VCC,而這個電阻就叫上拉電阻。
OD門電路
OC門與OD門是十分相似的,只是將三極管換成了MOS管:
1)當INPUT輸入高電平,GS>閾值電壓,MOS管Q1導通,Q3的G點電位為0,Q3截止,OUTPUT高電平;
2)當INPUT輸入低電平,GS<閾值電壓,MOS管Q1截止,Q3的G點電位為高,Q3導通,OUTPUT低電平;

總結
OC門電路和OD門電路基本一致,OC采用的是TTL,而OD使用的是MOS,在實際應用時,用法基本一致:
1)都是只能輸出低電平和高阻態;
2)都需要進行上拉電阻進行上拉,才能輸出高電平;
3)可以設置分壓電阻實現,輸出電壓的大小。
〈烜芯微/XXW〉專業制造二極管,三極管,MOS管,橋堆等,20年,工廠直銷省20%,上萬家電路電器生產企業選用,專業的工程師幫您穩定好每一批產品,如果您有遇到什么需要幫助解決的,可以直接聯系下方的聯系號碼或加QQ/微信,由我們的銷售經理給您精準的報價以及產品介紹
聯系號碼:18923864027(同微信)
QQ:709211280

