MOS管的工作原理和三極管比較類似,MOS管的柵極相當于三極管的基極,只需要在它的柵極給一個高電平。那么源極和漏極之間就會導通。如果給它的柵極低電平,源極和漏極之間就會斷開,我們就是根據這個原理來制作MOS管的檢測電路的。
mos管測試儀電路圖


原理圖比較簡單,一個管腳插座,一個100歐電阻,一個USB輸入插頭,一塊敷銅板。觸摸片1的一端接電源正極,一端接MOS管的柵極。觸摸片2的一端接電源負極,一端接電源負極。
本電路由USB口直接供電。電路設置了兩個觸摸片,用于檢測MOS管的好壞。將兩個觸摸片的一端并聯。與MOS管柵極連接。兩個觸片的另外一端分別接在電源正極和電源負極。當手指觸控CK1時,由人體的手指作為導體使MOS管的柵極電位升高,此時MOS管導通,LED發光。當手指觸摸CK2時,CK2的兩組電極通過手指使柵極電位下降。此時MOS管,截止LED熄滅。
PCB板圖紙


由PCB板生成的3d效果圖


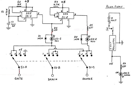
MOSFET測試儀電路二
這款簡單的MOSFET測試儀可以快速測試增強型N型和P溝道MOSFET。它檢查柵極、漏極和源極之間的短路。它還區分了N溝道和P溝道MOSFET。一旦正確連接到 mosfet,所有測試都將在不反向連接的情況下完成。

〈烜芯微/XXW〉專業制造二極管,三極管,MOS管,橋堆等,20年,工廠直銷省20%,上萬家電路電器生產企業選用,專業的工程師幫您穩定好每一批產品,如果您有遇到什么需要幫助解決的,可以直接聯系下方的聯系號碼或加QQ/微信,由我們的銷售經理給您精準的報價以及產品介紹

〈烜芯微/XXW〉專業制造二極管,三極管,MOS管,橋堆等,20年,工廠直銷省20%,上萬家電路電器生產企業選用,專業的工程師幫您穩定好每一批產品,如果您有遇到什么需要幫助解決的,可以直接聯系下方的聯系號碼或加QQ/微信,由我們的銷售經理給您精準的報價以及產品介紹
聯系號碼:18923864027(同微信)
QQ:709211280

