單穩態電路介紹
單穩態電路是一種具有穩態和暫態兩種工作狀態的基本脈沖單元電路。單穩態電路可以由分立元件、集成邏輯門來構成,也可用555定時器或單片專用單穩態觸發器實現。
沒有外加信號觸發時,電路處于穩態。在外加信號觸發下,電路從穩態翻轉到暫態,并且經過一段時間后,電路又會自動返回到穩態。暫態時間的長短取決于電路本身的參數,而與觸發信號作用時間的長短無關。
單穩態電路
如不自鎖的按鈕開關控制燈泡就是一個最典型、最簡單的單穩態電路:不按按鈕時,按鈕處于抬起位,其常開觸點斷開,燈泡熄滅。只有用手按下按鈕時,按鈕的常開觸點閉合,燈泡亮。當手離開按鈕,按鈕立刻抬起其常開觸點恢復斷開,燈泡滅。該電路在不觸動按鈕時總保持熄滅的一種狀態,故可稱之為單穩態電路。
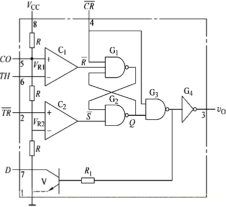
555單穩態電路圖
內部包括兩個電壓比較器,三個5K歐姆的等值串聯分壓電阻(555定時器的名稱也由此而得),一個 RS 觸發器,一個放電管 T 及功率輸出級。它提供兩個基準電壓VCC /3 和 2VCC /3


555 定時器的功能主要由兩個比較器決定。兩個比較器的輸出電壓控制RS 觸發器和放電管的狀態。在電源與地之間加上電壓,當 5 腳懸空時,則電壓比較器 C1 的同相輸入端的電壓為 2VCC /3,C2 的反相輸入端的電壓為VCC /3。
若觸發輸入端 TR 的電壓小于VCC /3,則比較器 C2 的輸出為 0,可使 RS 觸發器置 1,使輸出端 OUT=1。如果閾值輸入端 TH 的電壓大于 2VCC/3,同時 TR 端的電壓大于VCC /3,則 C1 的輸出為 0,C2 的輸出為 1,可將 RS 觸發器置 0,使輸出為低電平。
單穩態電路應用
以555集成電路為核心和少量元器件組成的單穩態電路即可實現自動延時照明燈(用發光二極管LED取代)控制(圖二)。圖三的工作給出如下:按一下SB,“2”腳輸入一個低于脈沖,觸發電路翻轉到暫穩態,“3”腳輸出高電平,LED立即點亮,延續近3秒后自動熄滅。
同時,通過電阻R1開始給電容C1充電,當電容兩端電壓充到C時,電路又恢復到穩態,幾乎同時,電容C1被放電。電路等待下次觸發脈沖的到來,改變電路中電阻R1、電容C1的數值,可方便地調整延時時間即暫穩態的寬度。


可以在上述電路的基礎上,通過555輸出驅動功率晶體管,可以實現大功率的工作環境。在大型農業選種、加工和農場糧食分選過程中,用到較多的是電動篩,下面給出了光電式功率型電動篩控制原理圖。


電路引入了光電耦合器,整個電路工作過程如下:S1閉合時,光電耦合器工作,“2”接地;S1斷開時,光電耦合器停止工作,“2”懸空。該變化通過“2”輸入555集成電路,從而控制輸出。在S2閉合的情況下,輸出通過功率三極管驅動電動機以控制電動篩的運轉。
〈烜芯微/XXW〉專業制造二極管,三極管,MOS管,橋堆等,20年,工廠直銷省20%,上萬家電路電器生產企業選用,專業的工程師幫您穩定好每一批產品,如果您有遇到什么需要幫助解決的,可以直接聯系下方的聯系號碼或加QQ/微信,由我們的銷售經理給您精準的報價以及產品介紹
聯系號碼:18923864027(同微信)
QQ:709211280

