10N10場效應管,10N10參數10A 100V SOT-89,10N10中文資料
10N10場效應管參數,10N10規格書,10N10引腳圖,10N10中文資料pdf代替
10N10場效應管參數,10N10規格書,10N10引腳圖,10N10中文資料pdf代替

10N10 SOT-89封裝參數:點擊查看

10N10場效應管參數具體如下:
封裝類型:SOT-89
極性:NPN
極性:NPN
漏極電流:10A
功率耗散:34.7W
反向傳輸電容Crss:37pF
柵極源極擊穿電壓:±20V
擊穿電壓:100V
存儲溫度:-55℃~+150℃
引腳數:3Pin
導通電阻ID=10A,VGS=10V:Typ 85mΩ Max 112mΩ
導通電阻ID=8A,VGS=4.5V:Typ 105mΩ Max 120mΩ
工作溫度:-55℃~+150℃
安裝類型:SMT
二、作用與應用
10N10場效應管的核心作用是作為電子開關使用。在電路中,它通過控制柵極電壓來調節漏源路徑上的電流流動,實現對負載的精確控制。由于其出色的電氣性能,10N10廣泛應用于以下領域:
電源管理:10N10可用于電源管理,如電源轉換和電池保護。
高保真放大器:在音頻放大器中,10N10可以提供高保真的音質放大。
步進電機驅動器:適用于步進電機的驅動控制。
閃光燈驅動器:在閃光燈驅動器中,10N10可以控制閃光燈的亮度和電源管理。
汽車電子設備:10N10也適用于汽車電子設備中的電源管理和電機控制。
三、SOT-89封裝特點
10N10采用SOT-89封裝,這是一種功率封裝形式,具有以下特點:
散熱性能好:SOT-89封裝具有良好的散熱性能,適合高功率應用。
耐壓高:SOT-89封裝的10N10場效應管通常具有較高的耐壓值,適合高壓應用。
封裝緊湊:SOT-89封裝緊湊,適合空間受限的應用。
引腳布局:SOT-89封裝通常有3個引腳,布局合理,便于焊接和連接。
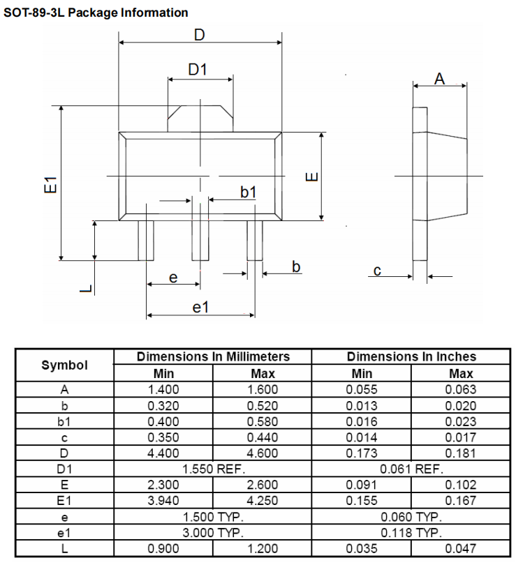
10N10場效應管/SOT-89封裝尺寸:

〈烜芯微/XXW〉專業制造二極管,三極管,MOS管,橋堆等,20年,工廠直銷省20%,上萬家電路電器生產企業選用,專業的工程師幫您穩定好每一批產品,如果您有遇到什么需要幫助解決的,可以直接聯系下方的聯系號碼或加QQ/微信,由我們的銷售經理給您精準的報價以及產品介紹
聯系號碼:18923864027
QQ:709211280


