
傳真:
18923864027
QQ:
709211280
地址:
深圳市福田區振中路84號愛華科研樓7層
二極管漏電流和反向電壓的關系介紹在半導體器件選型環節,二極管的正向導通壓降、反向耐壓、反向漏電流等核心參數備受關注。但這些參數在不
齊納二極管的使用介紹在半導體器件領域,PN 結二極管的反向擊穿特性至關重要。于常規狀態下的反向偏置 PN 結,僅有微小漏電流,其值基本
晶體二極管的分類與主要參數介紹在電子元件的龐大體系中,二極管以其獨特的單向導電性和簡潔的兩電極結構,成為現代電子產業不可或缺的基石
影響雪崩二極管響應速度的原因介紹一、引言在半導體技術的廣闊領域中,雪崩二極管以其獨特的雪崩倍增效應和載流子渡越時間效應,成為一種能
光敏二極管與光敏電阻的區別介紹一、光敏二極管概述光敏二極管,亦稱光電二極管,是一種具備獨特光電轉換能力的半導體器件。它能夠將接收到
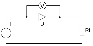
PN結的特性導致二極管的單向導電特性介紹在電子電路中二極管是非常常見的元器件,經常會被使用,二極管的特效是正向導通,反向截止。當在二
二極管的基本原理與使用要點介紹一、引言在電子技術的浩瀚海洋中,二極管作為基礎且關鍵的半導體器件之一,自誕生以來便憑借其獨特的單向導
二極管溫度檢測電路的缺陷與改進介紹一、功率集成電路與過熱保護概述功率集成電路作為電子技術領域的關鍵元件,具備一定的負載能力,能夠處
整流二極管損壞的原因與選用介紹一、二極管概述二極管作為半導體技術發展史上早期誕生的關鍵器件之一,在電子領域占據著舉足輕重的地位,其
TVS二極管的特點有哪些TVS(瞬態電壓抑制)二極管是一種高效的限壓型過壓保護器件,能夠將異常高壓迅速鉗制在安全區間,為后級電路筑起一道
穩壓二極管應用電路中主要參數要求介紹穩壓二極管是一種特殊的半導體器件,其基本結構雖與普通二極管相似,擁有一個 PN 結,但由于獨特的
二極管在電路設計中的應用介紹二極管作為一種基礎且核心的電子元器件,在各類電路設計中發揮著不可或缺的作用。盡管許多工程師對二極管有所