
                        傳真:
                        18923864027
                        QQ:
                        709211280
                        地址:
                        深圳市福田區振中路84號愛華科研樓7層
                    
 
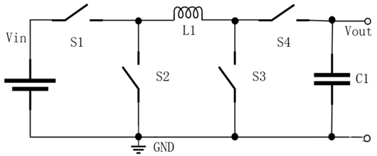
                    電源電路,4開關升降壓BOB電源解析4開關BOB電源全稱是BUCK or BOOST升降壓電源,顧名思義,既可以降壓,又可以升壓,兼容BUCK和BOOST電源
 
                    BUCK-BOOST升降壓電源應用,優勢介紹開關BOB電源全稱是BUCK or BOOST升降壓電源,顧名思義,既可以降壓,又可以升壓,兼容BUCK和BOOST電源
 
                    開關電源為什么要加快放電功能,解析很多負載對電源有上電時序和電壓轉換速率(壓擺率)的要求,比如負載需要多路電源時,這些電源要有先后
 
                    LED電源設計,DC-DC降壓恒流電路介紹DC-DC降壓恒流電路設計DC DC轉換器是轉變輸入電壓并有效輸出固定電壓的電壓轉換器。DC DC轉換器分為三類
 
                    選擇Boost升壓電路的電感,三個公式介紹Boost升壓電路選擇電感BOOST電源架構是一種非常經典的升壓電源方案,它是利用開關管開通和關斷的時間
 
                    LDO分類,工作流程圖文介紹電子產品都要用到電源,在移動端消費類電子產品中,常用的有DCDC電源和LDO電源兩種,DCDC的優點是效率高,但是噪
 
                    NMOS LDO工作原理及特性解析NMOS 型的 LDO 的架構圖從上圖我們可以看到從功率型的晶體管變成了 N 型 mos 管,結構沒有變。NMOS LD
 
                    PMOS LDO原理,特性圖文解析NMOS 由于它的源極和門級之間的導通門限,使簡單構成的 NMOS LDO 它輸入和輸出之間的壓差不可能很小,必須
 
                    DC-DC,LDO的結構,工作原理介紹DC-DC原理框圖線性電源、開關電源哪個更好?線性電源:優點:外圍器件少,PCB面積小,無開關噪聲,紋波小;缺
 
                    單片機,負壓產生電路圖解單片機常用負壓產生電路下圖是一個非常簡單的負壓產生電路,所使用原件少。使用的時候,只需要提供一個1KHz左右的
 
                    MOS管導通電壓的詳細解析分析MOS管的開啟電壓對管子導通狀態的影響。準備工具: 電路仿真軟件LTspice,NMOS模型電路,NMOS數據手冊等進行試
 
                    LLC諧振電路,同步整流技術圖文介紹同步整流是一種提高DC DC變換效率的技術,尤其是在低電壓、大電流的應用場合,其效果更為顯著。同步整流