
傳真:
18923864027
QQ:
709211280
地址:
深圳市福田區振中路84號愛華科研樓7層
IGBT的驅動過流保護電路的設計方案介紹IGBT因其飽和壓降低和工作頻率高等優點而成為大功率開關電源等電力電子裝置的首選功率器件,但IGBT和
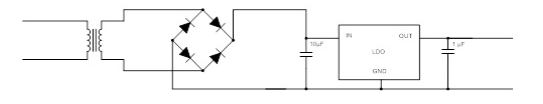
整流電路類型與原理解析電力網供給用戶的是交流電,而各種無線電裝置需要用直流電。整流,就是把交流電變為直流電的過程。利用具有單向導電
激光二極管保護電路的設計原理詳解激光二極管本質上是一個半導體二極管,按照PN結材料是否相同,可以把激光二極管分為同質結、單異質結(SH
光電耦合器,貼片式光電耦合器原理與其應用介紹光電耦合器(以下簡稱光耦)是一種發光器件和光敏器件組成的光電器件。它能實現電—光—電信...
LED基本驅動照明電路設計詳解LED因其應用廣泛,價格公道,而被業界廣泛采用,不管是節日的裝飾燈還是家庭使用的各種燈具要用到LED的驅動電
開關電源的工作小技巧介紹電源開發是個技術活,也是個累活,工作繁雜時難免會犯一些低級小錯誤。這些錯誤,會導致一系列的連鎖反應,需要采
電源模塊的輸出電壓為什么會變低測量中我們常常會發現,輸出電壓標稱為5V的電源模塊實際輸出只有4.8V,這是為什么呢?本文將為您介紹電源
怎么獲得簡易的非磁性AC DC電源在創建工業電源時,最常見的一個挑戰是將交流電壓電源轉換為直流電壓電源。幾乎所有應用都需要將交流電壓改
怎么降低電源輸出的紋波噪聲紋波噪聲是衡量電源的一個重要指標,但有多少人知道紋波和噪聲其實是兩個性能指標,降低紋波和噪聲的方法是有一
集成電路,集成電路可靠性設計圖解所謂集成電路可靠性是指半導體集成電路在一定的工作條件下(指一定的溫度、濕度、機械振動、電壓等),在
LED,LED諧波測試的應用介紹LED燈具與我們的生活息息相關,它具備低功耗、長壽命等優點,但也存在一些需要注意的問題,比如電源諧波對LED的
高速光耦,什么是高速光耦,要怎么選型光電耦合器是以光為媒介傳輸電信號的一種電一光一電轉換器件。它由發光源和受光器兩部分組成。把發光源