
傳真:
18923864027
QQ:
709211280
地址:
深圳市福田區振中路84號愛華科研樓7層
穩壓二極管串聯使用設計與注意的問題介紹穩壓二極管的使用注意問題穩壓二極管用途廣泛,使用極多。看起來應用很簡單,但如果不注意,也極易
晶體管恒流源電路圖解析晶體管恒流源電路圖分析晶體管恒流源是以晶體三極管為主要組成器件。本例利用兩只同型三極管,用三極管相對穩定的be
NPN型三極管與PNP型三極管的定義和使用區別介紹NPN型三極管的定義NPN型三極管是指由兩塊N型半導體中間夾著一塊P型半導體所組成的三極管;也
穩壓二極管經典電路圖,穩壓管反向擊穿狀態原理詳解穩壓管是眾多二極管里面非常特殊的一種二極管,它的特殊之處是它的正常工作狀態是處于反
單結晶體管(雙基極二極管)電極的判斷介紹單結晶體管又叫雙基極二極管,它的符號和外形見附圖。判斷單結晶體管發射極E的方法是:把萬用表置
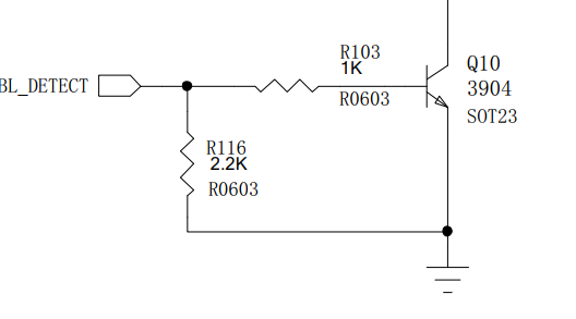
NPN型與PNP型三極管介紹,三極管BE端并聯電阻的作用解析三極管又分NPN型三極管和PNP型三極管。常用NPN三極管為3904,PNP三極管為3906。NPN:N
解析晶體管的Q點偏置怎么設置晶體管偏置是將晶體管直流工作電壓或電流條件設置為正確電平的過程,以便晶體管可以正確放大任何交流輸入信號
單個晶體管的電壓放大電路解析單個晶體管構成的電壓放大電路稱為單管電壓放大電路。晶體管放大電路有三種基本連接方式:共發射極接法、共基
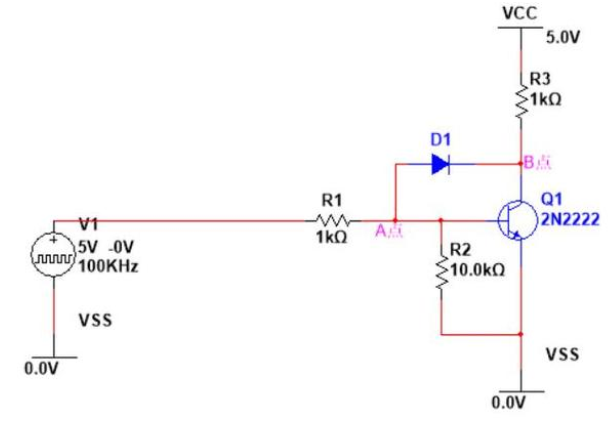
晶體管開關電路設計,晶體管選型和確定偏置電阻1、晶體管的選型:根據負載電流、負載電源電壓來確定具體晶體管型號,需要保證 Ic>負載電流
NPN三極管組成的單管放大電路驗證實驗詳解下圖是一個實際可以工作的晶體管組成的多諧振蕩器,右邊給出了電路中的工作電壓波形。如果僅僅看
雙極性晶體管是什么,雙極性晶體管的分類介紹雙極性晶體管是一種電子元件,它由兩個極性(正極和負極)組成,可以控制電流的流動。它們可以
提高晶體管開關速度的方法介紹提高晶體管開關速度的方法可以通過減少晶體管的輸入電容來提高晶體管的開關速度,這可以通過減少晶體管的輸入