
傳真:
18923864027
QQ:
709211280
地址:
深圳市福田區振中路84號愛華科研樓7層
互補管脈沖電路原理與應用電路介紹通常的雙管脈沖電路,總是一只管導通,另一只管截止。但是互補管脈沖電路不同,它具有如下特點:(1)兩
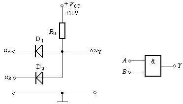
二極管與門以及三極管非門電路原理介紹二極管與門電路原理如圖:為二極管與門電路,Vcc = 10v,假設3v及以上代表高電平,0 7及以下代表低
瞬態抑制二極管(TVS管)特性與電路應用介紹瞬態抑制二極管簡稱TVS管(Transient Voltage Suppressor)一、TVS管特性瞬態抑制二極管是在穩壓
晶體管的結構與類型,晶體管的電流放大作用介紹晶體三極管中有兩種帶有不同極性電荷的載流子參與導電,故稱之為雙極性晶體管(BJT),也稱為半
NPN晶體管是什么,NPN晶體管的工作原理與結構介紹一、什么是NPN晶體管NPN晶體管是最常用的雙極結型晶體管,通過將P型半導體夾在兩個N型半導
怎么在不同VD的MCU之間進行串口通信先說一說這個電路的用途:當兩個MCU在不同的工作電壓下工作(如MCU1 工作電壓5V;MCU2 工作電壓3 3V)
TVS二極管與齊納二極管的差異介紹如圖2-6(a)所示,TVS二極管(ESD保護二極管)在短時間內吸收很高的過電壓,其作用是避免對其它半導體器
功率場效應管的原理,特點與參數介紹功率場效應管又叫功率場控晶體管。一.功率場效應管原理:半導體結構分析略。本講義附加了相關資料,供
反向電流阻斷電路的優化設計方法解析反向電流是指系統輸出端的電壓高于輸入端的電壓,導致電流反向流過系統。來源: 1 MOSFET用于負載切
AC DC逆變器電路圖介紹這里介紹的逆變器(見圖)主要由MOS 場效應管,普通電源變壓器構成。其輸出功率取決于MOS 場效應管和電源變壓器的
IGBT管的工作特性,IGBT管的選擇介紹IGBT是絕緣柵雙極型晶體管的縮寫,IGBT是由MOSFET和雙極型晶體管復合而成的一種器件,其輸入極為MOSFET
怎么用雙MOS設計分立式負載開關基于單個MOSFET拓撲的負載開關只能阻斷一個方向的電流,由于MOSFET有一個固有的體二極管,如果存在反向電流